OEM Konektor Tersegel SMPM Supplier

Ningbo Hanson Komunikasi Technology Co, Ltd. Rumah / Produk / Seri Tertutup rapat / Konektor Tersegel SMPM

Konektor Tersegel SMPM

Keterangan:

Konektor tersegel SMPM (SubMiniature Push-on Micro) adalah konektor RF mini dengan escapement penuh, semi-escapement, dan lubang cahaya, dirancang untuk frekuensi tinggi, ruang kompak, dan aplikasi ringan. Ini adalah konektor push-on, biasa digunakan dalam peralatan komunikasi dan elektronik yang membutuhkan bobot rendah, keandalan tinggi, dan ukuran kecil. Konektor SMPM memiliki kualitas transmisi sinyal yang tinggi dan dapat memberikan performa kelistrikan yang baik.

Menanyakan

Struktur dasar:
Konektor koaksial RF bersegel udara tipe SMPM-J terdiri dari tiga bagian: konduktor luar, medium kaca, dan konduktor dalam, struktur dasarnya ditunjukkan pada gambar di bawah ini:

Parameter Teknis Utama:

Karakteristik Listrik
Impedansi karakteristik 50Ω Rentang Frekuensi DC~40GHz
Tegangan Penahan Dielektrik 500Vrms Resistensi isolasi 2000M Ω
Tegangan VSWR <1.4 Kerugian Penyisipan ≤0,05 √f dB(GHz)
Bahan dan mekanik, sifat lingkungan
Selubung Paduan Lavable/Berlapis Emas pin Paduan yang dapat dicuci/berlapis emas
Media isolasi Kaca Daya Tahan Konektor Pelarian Penuh 100 kali
Tingkat kebocoran ≤1.01325×10 Pa ·m³/dtk lubang optik 1000 kali
Suhu pengoperasian -65℃~ 165℃

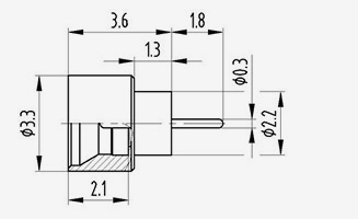
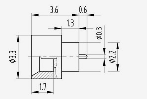
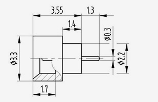
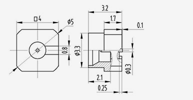
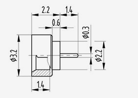
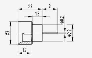
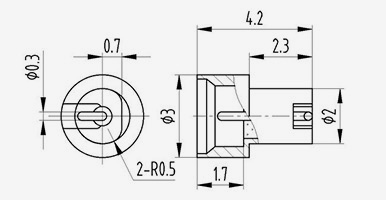
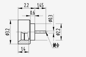
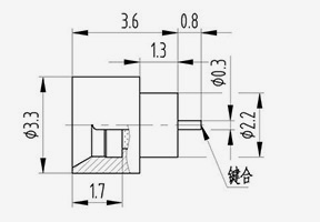
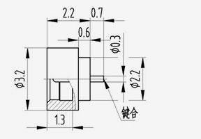
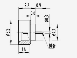
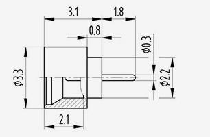
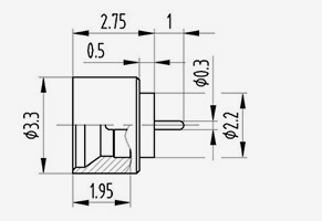
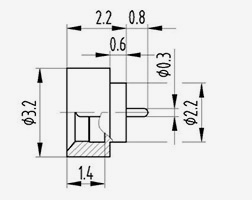
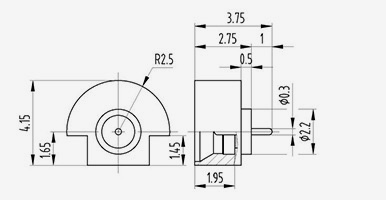
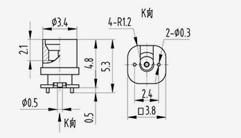
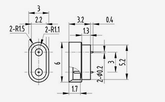
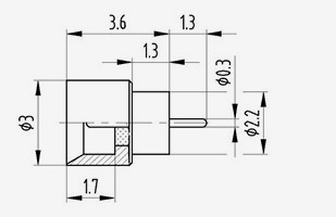
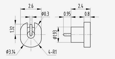
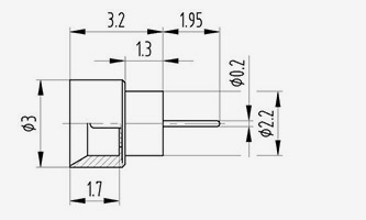
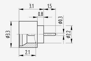
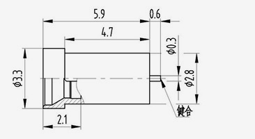
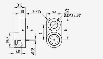
Ukuran Antarmuka:
Konektor koaksial RF bersegel udara tipe SMPM-J memiliki dua bentuk antarmuka: keterlepasan penuh dan lubang kosong. Saat memberi nama model, F menunjukkan keterlepasan penuh dan
S berarti lubang cahaya. Dimensi antarmuka dibagi menjadi dimensi antarmuka standar dan dimensi antarmuka pendek, keduanya dapat dipadukan dengan colokan tipe SMPM-K.
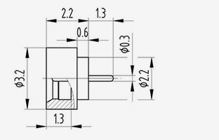
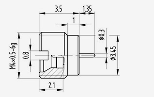
Ukuran antarmuka standar:

Dimensi antarmuka pendek:

SMP SERIES
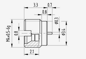
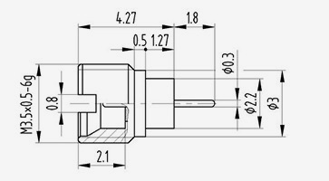
  • SMPM(M)-JYD3S
    SMPM(M)-JYD3S
    Model Perkataan
    SMPM(M)-JYD3S Lubang Halus
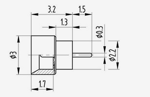
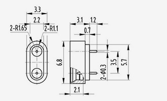
  • SMPM(M)-JYD5S
    SMPM(M)-JYD5S
    Model Perkataan
    SMPM(M)-JYD5S Lubang Halus
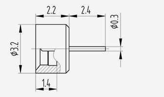
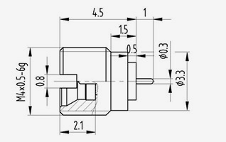
  • SMPM(M)-JYD8F
    SMPM(M)-JYD8F
    Model Perkataan
    SMPM(M)-JYD8F Penahanan Penuh
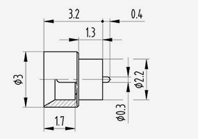
  • SMPM(M)-JYD10F
    SMPM(M)-JYD10F
    Model Perkataan
    SMPM(M)-JYD10F Penahanan Penuh
  • SMPM(M)-JYD12S
    SMPM(M)-JYD12S
    Model Perkataan
    SMPM(M)-JYD12S Lubang Halus
  • SMPM(L)-JYD13F
    SMPM(L)-JYD13F
    Model Perkataan
    SMPM(L)-JYD13F Penahanan Penuh
  • SMPM(M)-JYD14F
    SMPM(M)-JYD14F
    Model Perkataan
    SMPM(M)-JYD14F Penahanan Penuh
  • SMPM(M)-JYD15F
    SMPM(M)-JYD15F
    Model Perkataan
    SMPM(M)-JYD15F Penahanan Penuh
  • SMPM(M)-JYD16S
    SMPM(M)-JYD16S
    Model Perkataan
    SMPM(M)-JYD16S Lubang Halus
  • SMPM(M)-JYD17S
    SMPM(M)-JYD17S
    Model Perkataan
    SMPM(M)-JYD17S Lubang Halus
  • SMPM(M)-JYD18S
    SMPM(M)-JYD18S
    Model Perkataan
    SMPM(M)-JYD18S Lubang Halus
  • SMPM(M)-JYD19S
    SMPM(M)-JYD19S
    Model Perkataan
    SMPM(M)-JYD19S Lubang Halus
  • SMPM(L)-JYD20F
    SMPM(L)-JYD20F
    Model Perkataan
    SMPM(L)-JYD20F Penahanan Penuh
  • SMPM(M)-JYD21S
    SMPM(M)-JYD21S
    Model Perkataan
    SMPM(M)-JYD21S Lubang Halus
  • SMPM(M)-JYD22F
    SMPM(M)-JYD22F
    Model Perkataan
    SMPM(M)-JYD22F Penahanan Penuh
  • SMPM(M)-JYD23S
    SMPM(M)-JYD23S
    Model Perkataan
    SMPM(M)-JYD23S Lubang Halus
  • SMPM(L)-JYD24F
    SMPM(L)-JYD24F
    Model Perkataan
    SMPM(L)-JYD24F Penahanan Penuh
  • SMPM(L)-JYD25F
    SMPM(L)-JYD25F
    Model Perkataan
    SMPM(L)-JYD25F Penahanan Penuh
  • SMPM(L)-JYD26F
    SMPM(L)-JYD26F
    Model Perkataan
    SMPM(L)-JYD26F Penahanan Penuh
  • SMPM(M)-JYD27S
    SMPM(M)-JYD27S
    Model Perkataan
    SMPM(M)-JYD27S Lubang Halus
  • SMPM(M)-JYD28S
    SMPM(M)-JYD28S
    Model Perkataan
    SMPM(M)-JYD28S Lubang Halus
  • SMPM(L)-JYD29F
    SMPM(L)-JYD29F
    Model Perkataan
    SMPM(L)-JYD29F Penahanan Penuh
  • SMPM(M)-JYD30S
    SMPM(M)-JYD30S
    Model Perkataan
    SMPM(M)-JYD30S Lubang Halus
  • SMPM(M)-JYD31F
    SMPM(M)-JYD31F
    Model Perkataan
    SMPM(M)-JYD31F Penahanan Penuh
  • SMPM(M)-JYD32F
    SMPM(M)-JYD32F
    Model Perkataan
    SMPM(M)-JYD32F Penahanan Penuh
  • SMPM(M)-JYD33S
    SMPM(M)-JYD33S
    Model Perkataan
    SMPM(M)-JYD33S Lubang Halus
  • SMPM(M)-JYD34S
    SMPM(M)-JYD34S
    Model Perkataan
    SMPM(M)-JYD34S Lubang Halus
  • SMPM(M)-JYD35S
    SMPM(M)-JYD35S
    Model Perkataan
    SMPM(M)-JYD35S Lubang Halus
  • SMPM(M)-JYD36S
    SMPM(M)-JYD36S
    Model Perkataan
    SMPM(M)-JYD36S Lubang Halus
  • SMPM(M)-JYD37S
    SMPM(M)-JYD37S
    Model Perkataan
    SMPM(M)-JYD37S Lubang Halus
  • SMPM(M)-JYD38S
    SMPM(M)-JYD38S
    Model Perkataan
    SMPM(M)-JYD38S Lubang Halus
  • SMPM(M)-JYD39S
    SMPM(M)-JYD39S
    Model Perkataan
    SMPM(M)-JYD39S Lubang Halus
  • SMPM(M)-JYD41S
    SMPM(M)-JYD41S
    Model Perkataan
    SMPM(M)-JYD41S Lubang Halus
  • SMPM(M)-JYD42S
    SMPM(M)-JYD42S
    Model Perkataan
    SMPM(M)-JYD42S Lubang Halus
  • SMPM(L)-JYD43F
    SMPM(L)-JYD43F
    Model Perkataan
    SMPM(L)-JYD43F Penahanan Penuh
  • SMPM(M)-JYD44F
    SMPM(M)-JYD44F
    Model Perkataan
    SMPM(M)-JYD44F Penahanan Penuh
  • SMPM(M)-JYD45S
    SMPM(M)-JYD45S
    Model Perkataan
    SMPM(M)-JYD45S Lubang Halus
  • SMPM(M)-JYD46S
    SMPM(M)-JYD46S
    Model Perkataan
    SMPM(M)-JYD46S Lubang Halus
  • SMPM(M)-JYD60F
    SMPM(M)-JYD60F
    Model Perkataan
    SMPM(M)-JYD60F Penahanan Penuh
  • SMPM(L)-JYD61F
    SMPM(L)-JYD61F
    Model Perkataan
    SMPM(L)-JYD61F Penahanan Penuh
  • SMPM(M)-JYD62F
    SMPM(M)-JYD62F
    Model Perkataan
    SMPM(M)-JYD62F Penahanan Penuh
  • SMPM(M)-JYD63S
    SMPM(M)-JYD63S
    Model Perkataan
    SMPM(M)-JYD63S Lubang Halus
  • SMPM(M)-JYD64S
    SMPM(M)-JYD64S
    Model Perkataan
    SMPM(M)-JYD64S Lubang Halus
  • SMPM(M)-JYD65S
    SMPM(M)-JYD65S
    Model Perkataan
    SMPM(M)-JYD65S Lubang Halus
  • SMPM(M)-JYD66S
    SMPM(M)-JYD66S
    Model Perkataan
    SMPM(M)-JYD66S Lubang Halus
  • SMPM(M)-JHD1S
    SMPM(M)-JHD1S
    Model Perkataan
    SMPM(M)-JHD1S Lubang Halus
  • SMPM(M)-JHD2F
    SMPM(M)-JHD2F
    Model Perkataan
    SMPM(M)-JHD2F Penahanan Penuh
  • SMPM(M)-JHD3F
    SMPM(M)-JHD3F
    Model Perkataan
    SMPM(M)-JHD3F Penahanan Penuh
  • SMPM(M)-JHD4F
    SMPM(M)-JHD4F
    Model Perkataan
    SMPM(M)-JHD4F Penahanan Penuh
  • SMPM(M)-JHD6F
    SMPM(M)-JHD6F
    Model Perkataan
    SMPM(M)-JHD6F Penahanan Penuh
  • SMPM(M)-JHD21F
    SMPM(M)-JHD21F
    Model Perkataan
    SMPM(M)-JHD21F Penahanan Penuh
  • SMPM(M)-JFD1S
    SMPM(M)-JFD1S
    Model Perkataan
    SMPM(M)-JFD1S Lubang Halus
  • SMPM(M)-JWSD1S
    SMPM(M)-JWSD1S
    Model Perkataan
    SMPM(M)-JWSD1S Lubang Halus
  • SMPM(M)-JWSD8
    SMPM(M)-JWSD8
    Model Perkataan
    SMPM(M)-JWSD8
  • SMPM(M)-JWSD9S
    SMPM(M)-JWSD9S
    Model Perkataan
    SMPM(M)-JWSD9S Lubang Halus
  • SMPM(M)-JWSD10S
    SMPM(M)-JWSD10S
    Model Perkataan
    SMPM(M)-JWSD10S Lubang Halus
  • SMPM(M)-JSD1S
    SMPM(M)-JSD1S
    Model Perkataan
    SMPM(M)-JSD1S Lubang Halus

TETAP BERHUBUNGAN

[#masukan#]
KIRIM
Tentang Kami
Ningbo Hanson Komunikasi Technology Co, Ltd.
Ningbo Hanson Komunikasi Technology Co, Ltd.
Ningbo Hanson Communication Technology Co., Ltd. is China Konektor Tersegel SMPM Supplier and Custom Konektor Tersegel SMPM Company. We are a manufacturer specializing in the production, processing, and trade of communication components, with more than 30 years of experience in RF coaxial connectors, adapters, and cable assemblies. Perusahaan kini telah mengembangkan bengkel permesinan sendiri, bengkel pelapisan listrik, bengkel perakitan, dan sekelompok pemasok yang stabil dan Danal. Tujuan perusahaan adalah menyediakan produk berkualitas tinggi kepada pelanggan. Produk utama adalah konektor koaksial RF, adaptor, rakitan kabel frekuensi tinggi, dan rakitan kabel intermodulasi rendah. Selain itu, perusahaan juga dapat memberikan layanan kepada pelanggan dengan kebutuhan yang disesuaikan untuk memenuhi kebutuhan khusus pelanggan terhadap produk. Produk perusahaan banyak digunakan di bidang luar angkasa, stasiun pangkalan komunikasi, peralatan medis, dan bidang teknologi tinggi lainnya. Pada saat reformasi perusahaan, inovasi, pengembangan, dan pertumbuhan, perusahaan mengambil inisiatif untuk bergabung dengan sistem manajemen mutu internasional ISO9001 dan terus meningkatkan tingkat manajemen untuk memberikan produk dan layanan yang lebih memuaskan kepada pelanggan baru dan lama.
Berita Terbaru
Mencari Peluang Bisnis?

Minta panggilan hari ini