OEM Konektor TNC Supplier

Ningbo Hanson Komunikasi Technology Co, Ltd. Rumah / Produk / Konektor Koaksial RF / Konektor TNC

Konektor TNC

Keterangan:

Konektor koaksial RF seri TNC dikembangkan dan diproduksi sesuai dengan standar militer AS MIL-C-39012. Mereka memiliki karakteristik bandwidth yang lebar, koneksi yang andal, dan ketahanan guncangan yang baik. Mereka cocok untuk konektor dan kabel RF untuk input dan output sinyal peralatan radio, instrumen elektronik, berbagai komponen laser.

Parameter:

Spesifikasi Teknis Utama:
◆ Impedansi Karakteristik: 50Ω
◆ Rentang Frekuensi: DC-18GHz
◆ Resistansi Isolasi: ≥5000MΩ
◆ Tegangan Penahan Dielektrik: 1500V(rms)
◆ Rasio Gelombang Berdiri Tegangan (VSWR): ≤1,30
◆ Siklus Kawin: 500 kali

Menanyakan

Redup
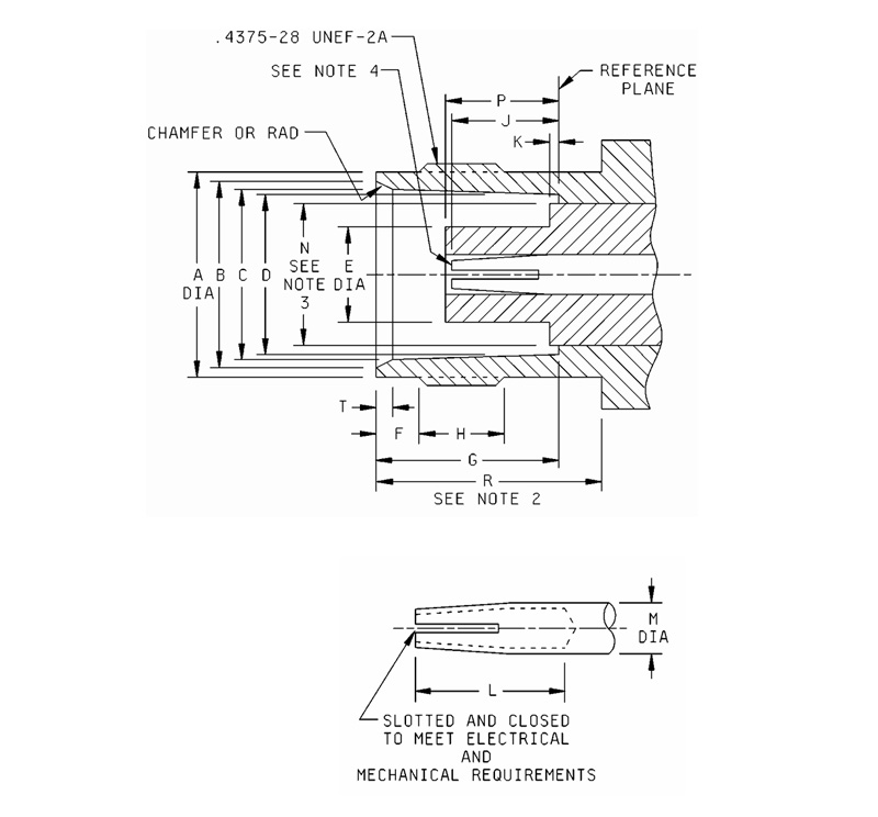
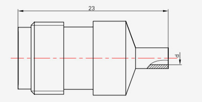
Ltr
Milimeter (Inci)
Minimum Maksimum
A .378 (9.60) .381 (9.68)
B .346 (8.79) .356 (9.04)
C .327 (8.31) .333 (8.46)
D .319 (8.10) .321 (8.15)
E ------- .186 (4.72)
F .068 (1.73) .088 (2.24)
G .327 (8.31) .335 (8.51)
H .187 (4.75) -------
J .186 (4.72) .206 (5.23)
K ------- 0,006 (0,15)
L .195 (4.95) -------
M .081 (2.06) .087 (2.21)
N ------- .256 (6.50)
P .188 (4.78) .208 (5.28)
R .414 (10.52) -------
T 0,015 (0,38) 0,030 (0,76)

Catatan:
1. Antarmuka ini harus memenuhi persyaratan pengukur sebagaimana ditentukan dalam
MIL-PRF-39012/28.
2. Jarak bebas untuk memasangkan mur kopling konektor.
3. Redupensi berlaku untuk bagian dielektrik tersebut (jika ada).
yang menonjol melampaui logam
bahu (atau bidang referensi) menurut dimensi K.
4. ID untuk memenuhi VSwR bila dikawinkan dengan pin berdiameter 0,052 inci (1,32 mm)/0,054 (1,37 mm).

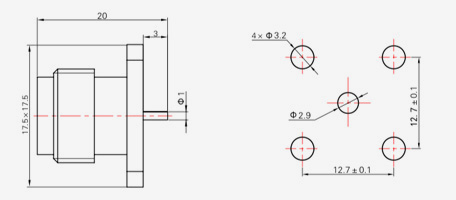
Redup
Ltr
Milimeter (Inci)
Minimum Maksimum
A .440 (11.18) -------
B Tes pengukur
C .190 (4.83) -------
D .052 (1.32) .054 (1.37)
E .210 (5.33) .230 (5.84)
F 0,006 (0,15) -------
G .208 (5.28) .228 (5.79)
H 0,003 (0,08) .040 (1.02)
K .078 (1.98) -------
M ------- .078 (1.98)
N .063 (1.60) -------
P .156 (3.96) -------
R ------- 0,025 (0,64)
T ------- .322 (8.18)

Catatan:
1. Antarmuka ini harus memenuhi persyaratan pengukur sebagaimana ditentukan dalam MIL-PRF-39012/26.

TNC SERIES
  • TNC-KF3A
    TNC-KF3A
    Model Jenis kabel
    TNC-KF3A SYV-50-2-1,RG316
    TNC-KF5A SYV-50-3,RG142,SFCJ-50-3-51
  • TNC-KF3A-1
    TNC-KF3A-1
    Model Jenis kabel
    TNC-KF3A-1 SYV-50-2-1,RG316
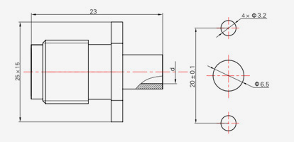
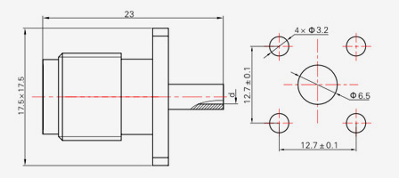
  • TNC-JB2
    TNC-JB2
    MoDel Jenis kabel d
    TNC-JB2 SFT-50-2,670-086 Φ2.2
    TNC-JB3 SFT-50-3,670-141 Φ3.6
  • TNC-JWB2
    TNC-JWB2
    MoDel Jenis kabel d
    TNC-JWB2 SFT-50-2,670-086 Φ2.2
    TNC-JWB3 SFT-50-3,670-141 Φ3.6
  • TNC-KB2
    TNC-KB2
    MoDel Jenis kabel d
    TNC-KB2 SFT-50-2,670-086 Φ2.2
    TNC-KB3 SFT-50-3,670-141 Φ3.6
  • TNC-KFB2
    TNC-KFB2
    MoDel Jenis kabel d
    TNC-KFB2 SFT-50-2,670-086 Φ2.2
    TNC-KFB3 SFT-50-3,670-141 Φ3.6
  • TNC-KFB2-1
    TNC-KFB2-1
    MoDel Jenis kabel d
    TNC-KFB2-1 SFT-50-2,670-086 Φ2.2
    TNC-KFB3-1 SFT-50-3,670-141 Φ3.6
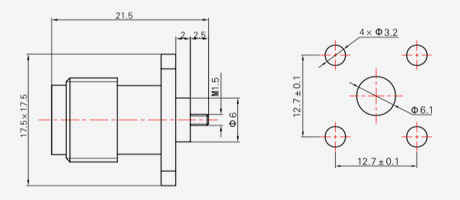
  • TNC-KFD2
    TNC-KFD2
    Model L L1
    KFD2 27 3.5
    KFD3 22 2
  • TNC-J3A
    TNC-J3A
    Model Jenis kabel
    TNC-J3A SYV-50-2-1,RG316
    TNC-J5A SYV-50-3-4,RG142, SFCJ-50-3-51
    TNC-J5AC
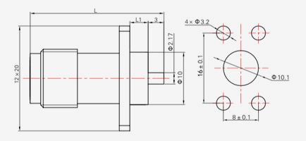
  • TNC-J4
    TNC-J4
    Model Jenis kabel L
    TNC-J4 SYV-50-2-2 31
    TNC-J5 SYV-50-3-4, SFCJ-50-3-51,RG316 31
    TNC-(K)5
    TNC-J5C
    TNC-J7 SYV-50-5-1, SFCJ-50-5-51 36
    TNC-J7C
    TNC-J10 SYV-50-7-1,SYV-50-7-2, SFCJ-50-7-51 36
    TNC-J10C
  • TNC-JW5
    TNC-JW5
    Model Jenis kabel
    TNC-JW5 SYV-50-3-4,SFCJ-50-3-51,RG142
    TNC-JW7 SYV-50-5-1,SFCJ-50-5-51
    TNC-JW10 SYV-50-7-2,SFCJ-50-7-51
  • TNC-JW5-1
    TNC-JW5-1
    Model Jenis kabel
    TNC-JW5-1 SYV-50-3-4,SFCJ-50-3-51,RG142
  • TNC-K5
    TNC-K5
    Model Jenis kabel L
    TNC-K5 SYV-50-3-4, SFCJ-50-3-51,RG142 31
    TNC-(J)5
    TNC-K7 SYV-50-5-1, SFCJ-50-5-51 33
    TNC-K10 SYV-50-7-1, SYV-50-7-2,SFCJ-50-7-51 33
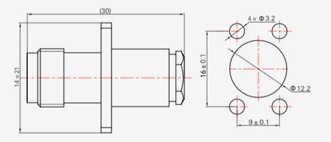
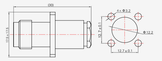
  • TNC-KFD1
    TNC-KFD1
  • TNC-KFD4
    TNC-KFD4

TETAP BERHUBUNGAN

[#masukan#]
KIRIM
Tentang Kami
Ningbo Hanson Komunikasi Technology Co, Ltd.
Ningbo Hanson Komunikasi Technology Co, Ltd.
Ningbo Hanson Communication Technology Co., Ltd. is China Konektor TNC Supplier and Custom Konektor TNC Company. We are a manufacturer specializing in the production, processing, and trade of communication components, with more than 30 years of experience in RF coaxial connectors, adapters, and cable assemblies. Perusahaan kini telah mengembangkan bengkel permesinan sendiri, bengkel pelapisan listrik, bengkel perakitan, dan sekelompok pemasok yang stabil dan Danal. Tujuan perusahaan adalah menyediakan produk berkualitas tinggi kepada pelanggan. Produk utama adalah konektor koaksial RF, adaptor, rakitan kabel frekuensi tinggi, dan rakitan kabel intermodulasi rendah. Selain itu, perusahaan juga dapat memberikan layanan kepada pelanggan dengan kebutuhan yang disesuaikan untuk memenuhi kebutuhan khusus pelanggan terhadap produk. Produk perusahaan banyak digunakan di bidang luar angkasa, stasiun pangkalan komunikasi, peralatan medis, dan bidang teknologi tinggi lainnya. Pada saat reformasi perusahaan, inovasi, pengembangan, dan pertumbuhan, perusahaan mengambil inisiatif untuk bergabung dengan sistem manajemen mutu internasional ISO9001 dan terus meningkatkan tingkat manajemen untuk memberikan produk dan layanan yang lebih memuaskan kepada pelanggan baru dan lama.
Berita Terbaru
Mencari Peluang Bisnis?

Minta panggilan hari ini