OEM N type RF Coaxial Connector Supplier

Ningbo Hanson Komunikasi Technology Co, Ltd. Rumah / Produk / Konektor Koaksial RF / Konektor Koaksial RF tipe-N

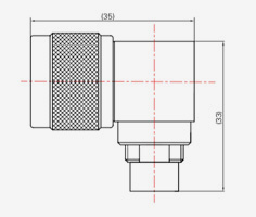
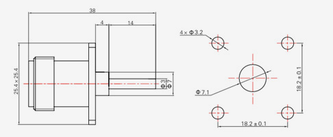
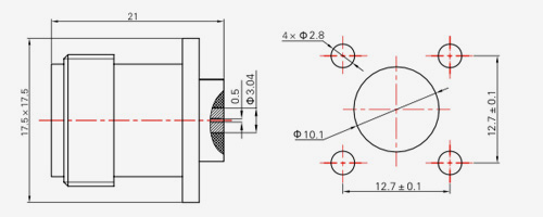
Konektor Koaksial RF tipe-N

Keterangan:

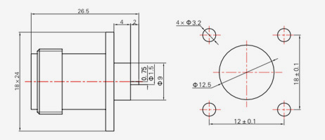
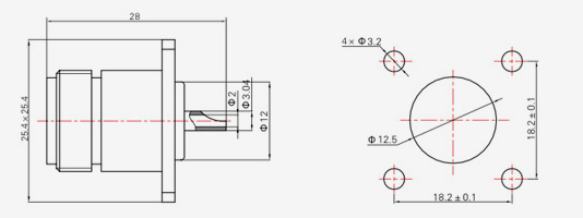
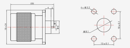
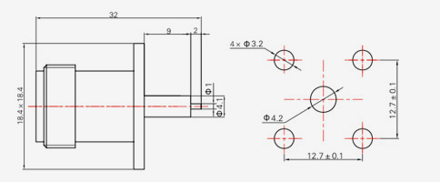
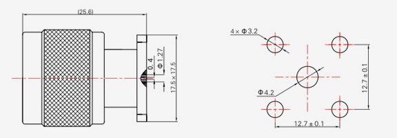
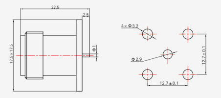
Konektor koaksial RF seri tipe N adalah konektor koaksial RF dengan mekanisme koneksi berulir yang dikembangkan dan diproduksi sesuai dengan standar militer AS MIL-C-39012. Ini memiliki karakteristik bandwidth yang lebar, ketahanan guncangan yang baik, keandalan yang tinggi, dan kinerja yang sangat baik, dan banyak digunakan dalam sistem komunikasi dan pengukuran gelombang mikro. Impedansi karakteristik konektor koaksial RF seri tipe-N yang diproduksi oleh pabrik kami dibagi menjadi dua jenis: 50Ω dan 75Ω.

Parameter:

Spesifikasi Teknis Utama:
◆ Impedansi Karakteristik: 50Ω/75Ω
◆ Rentang Frekuensi: DC-18GHz(50Ω)/DC-3GHz(75Ω)
◆ Resistansi Isolasi: ≥5000MΩ
◆ Tegangan Penahan Dielektrik: 1500V(rms)
◆ Rasio Gelombang Berdiri Tegangan (VSWR): ≤1,30
◆ Siklus Kawin: 500 kali

Menanyakan

Redup
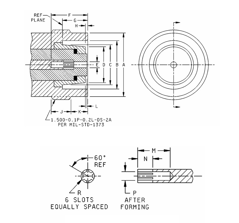
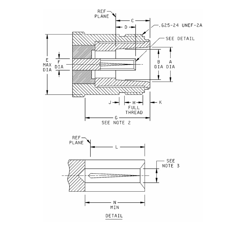
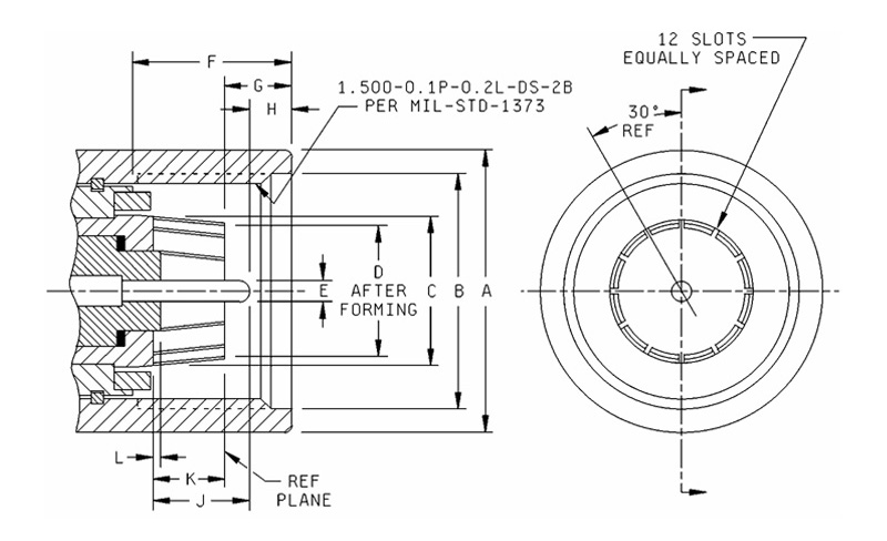
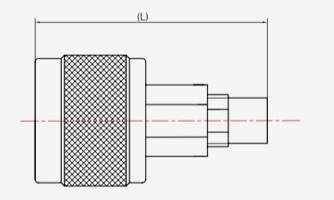
Ltr
Inci (mm)
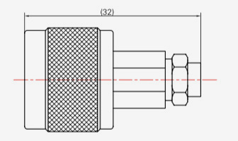
Minimal. Maks.
A .336 (8.53) .344 (8.74)
B .316 (8.03) .320 (8.13)
C .356 (9.04) .362 (9.19)
D .187 (4.75) .207 (5.26)
E ------- .627 (15.93)
F .119 (3.02) .124 (3.15)
G .422 (10.72) -------
H .172 (4.37) .220 (5.59)
J .047 (1.19) .077 (1.96)
K .047 (1.19) .077 (1.96)
L .187 (4.75) .207 (5.26)
N .210 (5.33) -------

Catatan:
1. Antarmuka ini harus memenuhi persyaratan pengukur sebagaimana ditentukan dalam
MIL-PRF-39o12/2.
2. Jarak bebas untuk memasangkan mur kopling konektor.
3. Untuk memenuhi VSwR, karakteristik perkawinan, resistansi kontak dan
ketahanan konektor bila dikawinkan dengan pin berdiameter .063/.066.

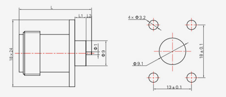
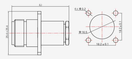
Redup
Ltr
Inci (mm)
Minimal. Maks.
A 1.740 (44.20) 1.760 (44.70)
B 1.537 (39.04) 1.543 (39.19)
C 1.060 (26.92) 1.064 (27.03)
D .964 (24.49) 0,974 (24,74)
E .194 (4.93) .196 (4.98)
F .836 (21.23) .856 (21.74)
G .372 (9.45) .392 (9.96)
H .271 (6.88) .291 (7.39)
J 551 (14.00) .571 (14.50)
K .370 (9.40) .380 (9.65)
L 0,001 (0,03) 0,013 (0,33)

Catatan:
1. Antarmuka ini harus memenuhi persyaratan pengukur sebagaimana ditentukan dalam MIL-PRF-39012/44.

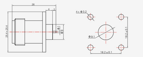
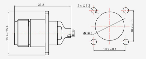
Redup
Ltr
Inci (mm)
Minimal. Maks.
A 1.404 (35.66) 1.408 (35.76)
B 1.100 (27.94) 1.120 (28.45)
C 1.998 (50.75) 1,002 (25,45)
D 936 (23.77) .940 (23.88)
E .191 (4.85) .195 (4.95)
F .763 (19.38) .783 (19.89)
G .465 (11.81) .485 (12.32)
H .062 (1.57) Referensi
J .302 (7.67) .322 (8.18)
K .302 (7.67) .322 (8.18)
L 0,001 (0,03) 0,013 (0,33)
M .490 (12.45) .510 (12.95)
N .240 (6.10) ,260 (6,60)
P .187 (4.75) .189 (4.80)
R 0,014 (0,36) 0,018 (0,46)

Catatan:
1. Antarmuka ini harus memenuhi persyaratan pengukur sebagaimana ditentukan dalam MIL-PRF-39012/45.

N SERIES
  • N-JB2
    N-JB2
    MoDel Jenis kabel d
    N-JB2 SFT-50-2,670-086 Φ2.2
    N-JB3 SFT-50-3,670-141 Ф3.6
  • N-JB3-1
    N-JB3-1
    Model Jenis kabel L
    N-JB3-1 SFT-50-3,670-141 17.6
    N-JB3A-1 SFT-50-3,670-141 16.5
  • N-KB3
    N-KB3
    Model Jenis kabel
    N-KB3 SFT-50-3,670-141
  • N-KFB3
    N-KFB3
    Model Jenis kabel
    N-KFB3 SFT-50-3,670-141
  • N-KYB3
    N-KYB3
    Model Jenis kabel
    N-KYB3 SFT-50-3,670-141
  • N-J3
    N-J3
    Model Jenis kabel
    N-J3 SYV-50-2-1,RG316
    N-J4 SYV-50-2-2
  • N-J5
    N-J5
    Model Jenis kabel L
    N-J5 SYV-50-3,RG142, SFCJ-50-3-51 33
    N-J5C SYV-50-3,RG142, SFCJ-50-3-51 33
    N-J7 SYV-50-5-1, SFCJ-50-5-51 36
    N-J10 SYV-50-7-1, SYV-50-7-2,SFCJ-50-7-51 36
  • N-J5.3
    N-J5.3
    Model Jenis kabel
    N-J5.3 32055.205,GNB415
  • N-J311
    N-J311
    Model Jenis kabel
    N-J311 TBS311A
  • N-J10-1
    N-J10-1
    Model Jenis kabel
    N-J10-1 SFCJ-50-7-51
  • N-JW5
    N-JW5
    Model Jenis kabel
    N-JW5 SFCJ-50-3-51,SYV-50-3-4,RG142
    N-JW7 SFCJ-50-5-51,SYV-50-5-1
    N-JW10 SFCJ-50-7-51,SYV-50-7-2
  • N-JW8A
    N-JW8A
    Model Jenis kabel
    N-JW8A FFB311A,SYV-50-5
    N-JW12A SYV-75-3
    N-JW13A SYV-75-5
  • N-K3
    N-K3
    Model Jenis kabel
    N-K3 SYV-50-2-1,RG316
  • N-K5
    N-K5
    Model Jenis kabel L
    N-K5 SYV-50-3,RG142, SFCJ-50-3-51 36
    N-K7 SYV-50-5-1,SFCJ-50-5-51 38
    N-K10 SYV-50-7-1,SFCJ-50-7-51 38
  • N-KF5
    N-KF5
    Model Jenis kabel L
    N-KF5 SYV-50-3,RG142,SFCJ-50-3-51 36
    N-KF7 SYV-50-5-1,SFCJ-50-5-51 38
    N-KF10 SYV-50-7-1,SFCJ-50-7-51 38
  • N-KF3A
    N-KF3A
    Model Jenis kabel L
    N-KF3A SYV-50-2-1,RG316 33
    N-KF5A SYV-50-3-4,RG142 42
  • N-KY3Y
    N-KY3Y
    Model Jenis kabel
    N-KY3Y SYV-50-2-1,RG316
  • N-KFD
    N-KFD
    Model L L1 L2
    KFD 26 4 2
    KFD2 31 6 5
    KFD15 30 6 4
    KFD16 28.5 6 2.5
    KFD17 28 6 2
    KFD18 29 5 4
    KFD19 29 4 5
    KFD20 33 4 9
  • N-KF
    N-KF
  • N-JFD1
    N-JFD1
  • N-JFD2
    N-JFD2
  • N-JFD3
    N-JFD3
  • N-JFD23
    N-JFD23
  • N-KFD1
    N-KFD1
  • N-KFD7
    N-KFD7
  • N-KFD11
    N-KFD11
  • N-KFD50
    N-KFD50
  • N-KFD-Z
    N-KFD-Z
  • N-KFD9
    N-KFD9
  • N-KFD14
    N-KFD14

TETAP BERHUBUNGAN

[#masukan#]
KIRIM
Tentang Kami
Ningbo Hanson Komunikasi Technology Co, Ltd.
Ningbo Hanson Komunikasi Technology Co, Ltd.
Ningbo Hanson Communication Technology Co., Ltd. is China N type RF Coaxial Connector Supplier and Custom N type RF Coaxial Connector Company. We are a manufacturer specializing in the production, processing, and trade of communication components, with more than 30 years of experience in RF coaxial connectors, adapters, and cable assemblies. Perusahaan kini telah mengembangkan bengkel permesinan sendiri, bengkel pelapisan listrik, bengkel perakitan, dan sekelompok pemasok yang stabil dan Danal. Tujuan perusahaan adalah menyediakan produk berkualitas tinggi kepada pelanggan. Produk utama adalah konektor koaksial RF, adaptor, rakitan kabel frekuensi tinggi, dan rakitan kabel intermodulasi rendah. Selain itu, perusahaan juga dapat memberikan layanan kepada pelanggan dengan kebutuhan yang disesuaikan untuk memenuhi kebutuhan khusus pelanggan terhadap produk. Produk perusahaan banyak digunakan di bidang luar angkasa, stasiun pangkalan komunikasi, peralatan medis, dan bidang teknologi tinggi lainnya. Pada saat reformasi perusahaan, inovasi, pengembangan, dan pertumbuhan, perusahaan mengambil inisiatif untuk bergabung dengan sistem manajemen mutu internasional ISO9001 dan terus meningkatkan tingkat manajemen untuk memberikan produk dan layanan yang lebih memuaskan kepada pelanggan baru dan lama.
Berita Terbaru
Mencari Peluang Bisnis?

Minta panggilan hari ini