OEM Isolator Kaca RF Supplier

Ningbo Hanson Komunikasi Technology Co, Ltd. Rumah / Produk / Seri Tertutup rapat / Isolator Kaca RF

Isolator Kaca RF

Keterangan:

Insulator kaca menggunakan struktur sintering kaca dengan kinerja penyegelan yang baik. Mereka dapat digunakan dengan konektor gelombang milimeter seperti SMA dan 2.92, dan juga dapat langsung digunakan antara papan PCB, templat, dan templat serta komponen. Ia menggunakan kaca (konstanta dielektrik sekitar 4,0) sebagai bahan media isolasi, dan konduktor dalam dan luar terbuat dari bahan paduan Kovar. Setelah sintering suhu tinggi, permukaannya dilapisi nikel dengan emas. Isolator kaca memiliki keunggulan ukuran kecil, ringan, kedap udara, dan keandalan yang tinggi. Mereka sebagian besar digunakan pada saat-saat dengan persyaratan penyegelan, atau persyaratan untuk volume dan berat produk. Mereka cocok untuk instalasi intensif. Konduktor bagian dalam dapat dihubungkan dengan berbagai cara, seperti plug-in, pemasangan di permukaan, pengelasan, dan pengikatan kawat emas.

Menanyakan

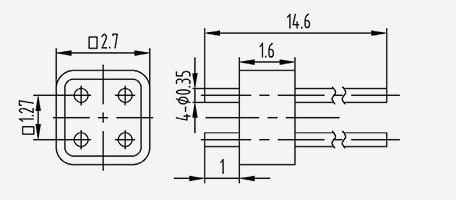
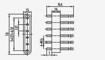
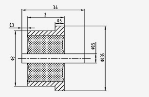
Struktur dasar:
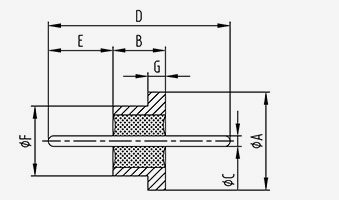
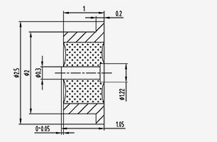
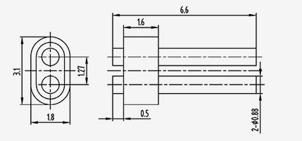
Isolator kaca biasanya terdiri dari tiga bagian: konduktor luar, medium kaca, dan konduktor dalam, dan struktur dasarnya ditunjukkan pada gambar berikut.

Spesifikasi teknis dan uji keandalan:

Karakteristik Listrik
Impedansi karakteristik 50Ω atau lainnya Rentang Frekuensi DC~65GHz
Tegangan Tahan Dielektrik ≥500V Resistensi Isolasi ≥5000MΩ
Resistensi kontak Konduktor dalam≤3m Ω Tegangan VSWR (50Ω) ≤ 1,05 0,008f ( f: GHz)
Konduktor luar ≤2m Ω Rugi Penyisipan RF (50Ω) ≤0,05 √ f (f: GHz)
Bahan dan mekanik, sifat lingkungan
Konduktor luar Paduan yang Dapat Didelegasikan Tingkat kebocoran udara 1.01*10 -9 Pa.m 3 /S
Konduktor dalam Paduan yang Dapat Terdegradasi Suhu pengoperasian -65 ~ 165
Media isolasi Kaca

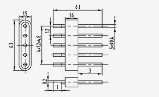
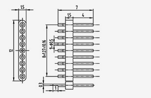
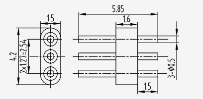
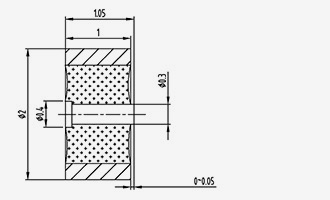
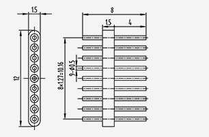
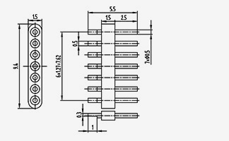
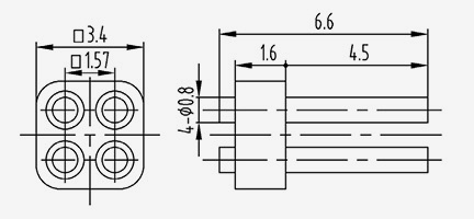
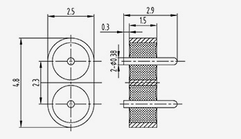
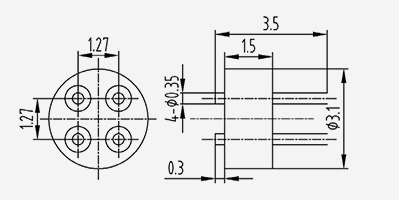
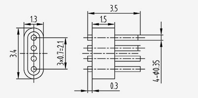
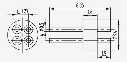
Dimensi pemasangan yang disarankan untuk isolator kaca
Dimensi bukaan pemasangan yang direkomendasikan untuk isolator kaca inti tunggal ditunjukkan di bawah ini:

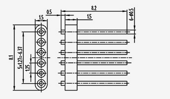
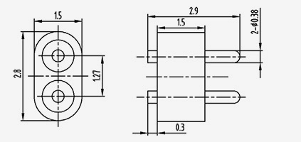
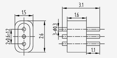
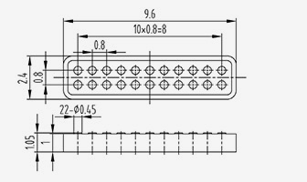
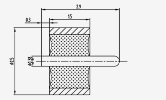
Dimensi bukaan pemasangan yang direkomendasikan untuk isolator kaca multi-inti ditunjukkan di bawah ini:

Pengujian kinerja listrik isolator kaca:
Insulator kaca impedansi karakteristik 50 ohm dengan konektor gelombang SMA standar, 2,92, 2,4, dll. milimeter dikawinkan di kedua ujungnya untuk pengujian kinerja listrik.

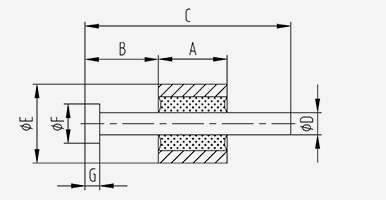
RF SERIES
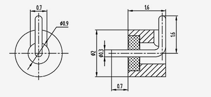
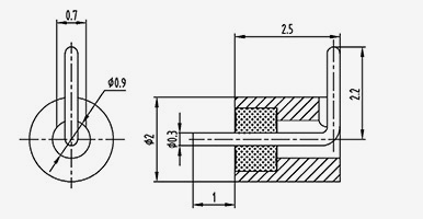
  • Kepala bulat inti tunggal impedansi karakteristik 50Ω
    Kepala bulat inti tunggal impedansi karakteristik 50Ω
    Model Ukuran (mm)
    A B C D E
    HS1710-0.23(2.8-0.3) 1.73 1 0.23 2.8 0.3
    HS1710-0.23(6.2-2.7) 1.73 1 0.23 6.2 2.7
    HS1710A 1.73 1 0.23 3 1
    HS1714-0.23(2-0.3) 1.73 1.4 0.23 2 0.3
    V1714-0.23(2.69-0.5) 1.73 1.4 0.23 2.7 0.5
    V1714-0.23(3.9-1.7) 1.73 1.4 0.23 3.9 1.7
    V1714-0.23(4.5-1.7) 1.73 1.4 0.23 4.5 1.7
    HS1714-0.23(3-1.1) 1.73 1.4 0.23 3 1.1
    HSI714E 1.73 1.4 0.23 2.9 1
    HS1714F 1.73 1.4 0.23 2.79 0.9
    HS1715-0.23(3.2-0.8) 1.73 1.5 0.23 3.2 0.8
    HS1716A 1.73 1.65 0.23 3.4 1
    V1719-0.23(5.0-1.7) 1.73 1.9 0.23 5 1.7
    V1720-0.23(3.3-0.5) 1.73 2 0.23 3.3 0.5
    HS1720-0.23(3.7-1.2) 1.73 2 0.23 3.7 1.2
    V1720-0.23(4.0-1.0) 1.73 2 0.23 4 1
    HS1720-0.23(6-2) 1.73 2 0.23 6 2
    V1724-0.23(3.7-0.5) 1.73 2.4 0.23 3.7 0.5
    HS1724-0,23(4,5-1,7) 1.73 2.4 0.23 4.5 1.7
  • Kepala bulat inti tunggal impedansi karakteristik 50Ω
    Kepala bulat inti tunggal impedansi karakteristik 50Ω
    Model Ukuran (mm)
    A B C D E
    V1727-0.23(4.0-0.5) 1.73 2.7 0.23 4 0.5
    HS1727A 1.73 2.7 0.23 4.7 1
    HS1728-0.23(4-0.5) 1.73 2.8 0.23 4 0.5
    HS1730-0.23(4.3-0.5) 1.73 3 0.23 4.3 0.5
    V1730-0.23(5.0-1.0) 1.73 3 0.23 5 1
    HS1734-0.23-01 1.73 3.4 0.23 5.2 1
    HS1744-0.23-01 1.73 4.4 0.23 6.2 1
    HS1749-0.23(8.9-2.0) 1.73 4.9 0.23 8.9 2
    HS1751A 1.73 5.1 0.23 5.9 0.4
    HS1756-0.23(6.6-0.5) 1.73 5.6 0.23 6.6 0.5
    HS1914-0.3(2.55-0.35) 1.9 1.4 0.3 2.55 0.35
    HS1914-0.3(3.2-1.1) 1.9 1.4 0.3 3.2 1.1
    HS1914C 1.9 1.4 0.3 3.6 0.7
    HS1914-0.3(4.4-2) 1.9 1.4 0.3 4.4 2
    HS1914-0.3(3.2-1.1) 1.9 1.4 0.3 3.2 1.1
    HS1914-0.3(3.8-1.2) 1.9 1.4 0.3 3.8 1.2
    HS1914-0.3(4.4-2) 1.9 1.4 0.3 4.4 2
    HS1916-0.3(4.7-0.8) 1.9 1.6 0.3 4.7 0.8
    HS1916B 1.9 1.6 0.3 4.9 0.8
  • Kepala bulat inti tunggal impedansi karakteristik 50Ω
    Kepala bulat inti tunggal impedansi karakteristik 50Ω
    Model Ukuran (mm)
    A B C D E
    HS1917-0.3(3.45-1) 1.9 1.75 0.3 3.45 1
    HS1918-0.3(5.8-2) 1.9 1.8 0.3 5.8 2
    HS1918-0.3(7.8-4.2) 1.9 1.8 0.3 7.8 4.2
    HS1918-0.3(3.5-1) 1.95 1.8 0.3 3.5 1
    HS1934-0.3(4.6-0.4) 1.9 3.4 0.3 4.6 0.4
    HS2006-0.3(3.2-2) 2 0.6 0.3 3.2 2
    HS2008-0.3(1.32-0.26) 2 0.8 0.3 1.32 0.26
    HS2008F 2 0.8 0.3 1.7 0.45
    HS2008-0.3(1.8-0.3) 2 0.8 0.3 1.8 0.3
    HS2008-0.3(2.8-1.0) 2 0.8 0.3 2.8 1
    HS2008-0.3(3.0-1.5) 2 0.8 0.3 3 1.5
    HS2008-0.3(3.4-0.8) 2 0.8 0.3 3.4 0.8
    HS2008-0.3(3.6-1.2) 2 0.8 0.3 3.6 1.2
    HS2008-0.3(5.4-2.6) 2 0.8 0.3 5.4 2.6
    HS2008-0.3(6-2.6) 2 0.8 0.3 6 2.6
    HS2010-0.3(2.1-0.7) 2 1 0.3 2.1 0.7
    HS2010-0.3(2.5-1) 2 1 0.3 2.5 1
    HS2010-0.3(3.2-1.2) 2 1 0.3 3.2 1.2
    HS2011-0.3(2.1-0.5) 2 1.1 0.3 2.1 0.5
  • Kepala bulat inti tunggal impedansi karakteristik 50Ω
    Kepala bulat inti tunggal impedansi karakteristik 50Ω
    Model Ukuran (mm)
    A B C D E
    HS2012A 2 1.2 0.3 3.5 1.2
    HS2012-0.3(6-1.8) 2 1.2 0.3 6 1.8
    HS2012-0.3(6.7-1.5) 2 1.2 0.3 6.7 1.5
    HS2013-0.3(2.3-0.5) 2 1.3 0.3 2.3 0.5
    HS2014-0.3(1.92-0.26) 2 1.4 0.3 1.92 0.26
    HS2014-0.3(2.12-0.36) 2 1.4 0.3 2.12 0.36
    HS2014-0.3(2.4-0.5) 2 1.4 0.3 2.4 0.5
    HS2014D 2 1.4 0.3 3.1 0.45
    HS2014-0.3(4.4-1.5) 2 1.4 0.3 4.4 1.5
    HS2014-0.3(4.4-1) 2 1.4 0.3 4.4 1
    HS2014-0.3(4.55-1.5) 2 1.4 0.3 4.55 1.5
    HS2014-0.3(4.65-1.5) 2 1.4 0.3 4.65 1.5
    HS2014-0.3(5.5-1.9) 2 1.4 0.3 5.5 1.9
    HS2014-0.3(5.7-1.8) 2 1.4 0.3 5.7 1.8
    HS2014-0.3(8.0-4.6) 2 1.4 0.3 8 4.6
    HS2014-0.3(8-1.9) 2 1.4 0.3 8 1.9
    HS2015-0.3(3.25-0.75) 2 1.5 0.3 3.25 0.75
    HS2016-0.3(2.7-0.7) 2 1.6 0.3 2.7 0.7
    HS2016-0.3(2.8-0.5) 2 1.6 0.3 2.8 0.5
  • Kepala bulat inti tunggal impedansi karakteristik 50Ω
    Kepala bulat inti tunggal impedansi karakteristik 50Ω
    Model Ukuran (mm)
    A B C D E
    HS2016-0.3(3.5-1.2) 2 1.6 0.3 3.5 1.2
    HS2016-0.3(3.6-1) 2 1.6 0.3 3.6 1
    HS2016-0.3(3.9-0.4) 2 1.6 0.3 3.9 0.4
    HS2016E 2 1.6 0.3 3.9 0.6
    HS2016-0.3(4.1-1) 2 1.6 0.3 4.1 1
    HS2016-0.3(4.2-0.8) 2 1.6 0.3 4.2 0.8
    HS2016-0.3(4.6-1.2) 2 1.6 0.3 4.6 1.2
    HS2016-0.3(4.6-1.8) 2 1.6 0.3 4.6 1.8
    Ka2016-0.3(5-2.9) 2 1.6 0.3 5 2.9
    HS2016-0.3(5.2-1.8) 2 1.6 0.3 5.2 1.8
    HS2016-0.3(8.0-4.6) 2 1.6 0.3 8 4.6
    HS2016-0.3(8-1.8) 2 1.6 0.3 8 1.8
    HS2016-0.3(12-2.4) 2 1.6 0.3 12 2.4
    HS2016-0.3(20.4-4.6) 2 1.6 0.3 20.4 4.6
    HS2017-0.3(3.3-0.8) 2 1.7 0.3 3.3 0.8
    HS2017-0.3(8.5-2.0) 2 1.7 0.3 8.5 2
    HS2018-0.3(3.5-1) 2 1.8 0.3 3.5 1
    HS2019-0.3-01 2 1.9 0.3
    HS2020-0.3(3.4-0.4) 2 2 0.3 3.4 0.4
  • Kepala bulat inti tunggal impedansi karakteristik 50Ω
    Kepala bulat inti tunggal impedansi karakteristik 50Ω
    Model Ukuran (mm)
    A B C D E
    HS2020-0.3(3.8-0.8) 2 2 0.3 3.8 0.8
    HS2020-0.3(5.6-2.8) 2 2 0.3 5.6 2.8
    HS2020-0.3(5.7-2.9) 2 2 0.3 5.7 2.9
    HS2020-0.3(6-2) 2 2 0.3 6 2
    HS2020-0.3(12-5) 2 2 0.3 12 5
    HS2022F 2 2.2 0.3 3.1 0.45
    HS2022-0.3(3.2-0.7) 2 2.2 0.3 3.2 0.7
    HS2023-0.3(3.35-0.7) 2 2.3 0.3 3.35 0.7
    HS2023-0.3(3.7-0.7) 2 2.3 0.3 3.7 0.7
    HS2025-0.3(4.8-0.9) 2 2.5 0.3 4.8 0.9
    HS2025-0.3(6-1.5) 2 2.5 0.3 6 1.5
    HS2025-0.38(7.4-1.4) 2 2.5 0.38 7.4 1.4
    HS2026.5-0.3-01 2 2.6 5 0.3 0.1
    HS2028-0.3(4.9-0.5) 2 2.8 0.3 4.9 0.5
    HS2029-0.3(4.1-0.8) 2 2.9 0.3 4.1 0.8
    HS2029-0.3(4.9-0.5) 2 2.9 0.3 4.9 0.5
    HS2030-0.3(5.2-1.5) 2 3 0.3 5.2 1.5
    HS2030-0.3(5.8-1) 2 3 0.3 5.8 1
    HS2030-0.3(8-2) 2 3 0.3 8 2
  • Kepala bulat inti tunggal impedansi karakteristik 50Ω
    Kepala bulat inti tunggal impedansi karakteristik 50Ω
    Model Ukuran (mm)
    A B C D E
    HS2030-0.3(9-1.5) 2 3 0.3 9 1.5
    HS2034-0.3(4.4-0.7) 2 3.4 0.3 4.4 0.7
    HS2035-0.3(6.6-1.8) 2 3.5 0.3 6.6 1.8
    HS2035-0.3(6.65-1.3) 2 3.5 0.3 6.65 1.3
    HS2035-0.3(7.1-1.3) 2 3.5 0.3 7.1 1.3
    HS2035-0.3(9.5-3) 2 3.5 0.3 9.5 3
    HS2036-0.3(5.7-0.7) 2 3.6 0.3 5.7 0.7
    HS2040A 2 4 0.3 5.1 0.8
    HS2045-0.7(11.5-2) 2 4.5 0.7 11.5 2
    HS2050-0.3(6.4-0.7) 2 5 0.3 6.4 0.7
    HS2507-0.38(2.2-0.3) 2.5 0.7 0.38 2.2 0.3
    HS2508-0.38(1.8-0.3) 2.5 0.8 0.38 1.8 0.3
    HS2508-0,38(2-0,5) 2.5 0.8 0.38 2 0.5
    HS2510-0.38(3.6-1.3 ) 2.5 1 0.38 3.6 1.3
    HS2510-0,38(7-3) 2.5 1 0.38 7 3
    HS2511-0.38(2..4-0.5) 2.5 1.1 0.38 2.4 0.5
    HS2511-0.38(3.7-0.6) 2.5 1.1 0.38 3.7 0.6
    HS2512-0.38(3.1-0.8) 2.5 1.1 0.38 3.7 0.6
    HS4414-0.3(3.2-1.1) 4.4 1.4 0.3 3.2 1.1
  • Kepala bulat inti tunggal impedansi karakteristik 50Ω
    Kepala bulat inti tunggal impedansi karakteristik 50Ω
    Model Ukuran (mm)
    A B C D E
    HS2516-0.3(7.5-2.14) 2.5 1.6 0.3 7.5 2.14
    HS2516-0.3(8-1.8) 2.5 1.6 0.3 8 1.8
    HS2516-0,38(3,5-0,7) 2.5 1.6 0.38 3.5 0.7
    HS2516-0.38(4.1-1.25) 2.5 1.6 0.38 4.1 1.25
    HS2516-0.38(4.3-1.2) 2.5 1.6 0.38 4.3 1.2
    Ka2511-0.38(2.7-1.0) 2.5 1.1 0.38 2.7 1
    Ka2516-0.38(2.9-0.3) 2.5 1.6 0.38 2.9 0.3
    K2516-0.38(4-1.5) 2.5 1.6 0.38 4 1.5
    HS2516-0.38(4.5-1.2) 2.5 1.6 0.38 4.5 1.2
    HS2516-0.38(4.6-1) 2.5 1.6 0.38 4.6 1
    HS2516E 2.5 1.6 0.38 4.6 1.5
    HS2516G 2.5 1.6 0.38 4.6 1.5
    HS2516-0.38(4.8-1.2) 2.5 1.6 0.38 4.8 1.2
    HS2516-0.38(4.9-1.5) 2.5 1.6 0.38 4.9 1.5
    HS2516-0.38(5.1-1.6) 2.5 1.6 0.38 5.1 1.6
    HS2516-0.38(5.3-1.2) 2.5 1.6 0.38 5.3 1.2
    Ka2516-0.38(5.6-3.0) 2.5 1.6 0.38 5.6 3
    HS2516-0.38(6.1-1.3) 2.5 1.6 0.38 6.1 1.3
    HS2516-0,38(7.1-1.4) 2.5 1.6 0.38 7.1 1.4
  • Kepala bulat inti tunggal impedansi karakteristik 50Ω
    Kepala bulat inti tunggal impedansi karakteristik 50Ω
    Model Ukuran (mm)
    A B C D E
    HS2516-0.38(7.41-1.27) 2.5 1.6 0.38 7.41 1.27
    HS2516F 2.5 1.6 0.38 7.45 4.55
    HS2516-0.38-01 2.5 1.6 0.38 7.5 1.3
    HS2516-0.38(8-1.8) 2.5 1.6 0.38 8 1.8
    RF2516-0.38(8-4.6) 2.5 1.6 0.38 8 4.6
    HS2516-0,38(8-5) 2.5 1.6 0.38 8 5
    K2516-0.38(8-1.5) 2.5 1.6 0.38 8 1.5
    K2516-0.38(8-5.9) 2.5 1.6 0.38 8 5.9
    HS2516-0.38(11.6-5) 2.5 1.6 0.38 11.6 5
    HS2516-0.38(12-2.0) 2.5 1.6 0.38 12 2
    HS2520-0,38(6-2) 2.5 2 0.38 6 2
    HS2520-0.38(7.4-1.4) 2.5 2 0.38 7.4 1.4
    HS2520-0.38(7.8-1.4) 2.5 2 0.38 7.8 1.4
    HS2520-0.38(9.0-2.0) 2.5 2 0.38 9 2
    HS2520-0,38(12-5) 2.5 2 0.38 12 5
    HS2520-0,38(15-2) 2.5 2 0.38 15 2
    HS2524-0.38(5.7-1.1) 2.5 2.4 0.38 5.7 1.1
    HS2526-0.38(6.6-2) 2.5 2.6 0.38 6.6 2
    HS2530-0,38(3,6-0,3) 2.5 3 0.38 3.6 0.3
  • Kepala bulat inti tunggal impedansi karakteristik 50Ω
    Kepala bulat inti tunggal impedansi karakteristik 50Ω
    Model Ukuran (mm)
    A B C D E
    Ka2530-0.38(4.6-1.0) 2.5 3 0.38 4.6 1
    HS2530A 2.5 3 0.38 5 1
    HS2530-0,38(7,5-1,5) 2.5 3 0.38 7.5 1.5
    HS2530-0,38(8-0,4) 2.5 3 0.38 8 0.4
    HS2530-0,38(8-2) 2.5 3 0.38 8 2
    HS2530-0,38(9-3) 2.5 3 0.38 9 3
    HS2530-0.38(12-2.2) 2.5 3 0.38 12 2.2
    HS2530-0.38(13.9-8.2) 2.5 3 0.38 13.9 8.2
    HS2530-0,38(20-4) 2.5 3 0.38 20 4
    HS2533-0.38(6.5-1.2) 2.5 3.3 0.38 6.5 1.2
    HS2535-0,38(7,5-2) 2.5 3.5 0.38 7.5 2
    HS2537-0.38(7.7-2) 2.5 3.7 0.38 7.7 2
    HS2540-0.38(11-1.8) 2.5 4 0.38 11 1.8
    HS2545-0.38(8-1.3) 2.5 4.5 0.38 8 1.3
    HS2550-0.38(6.9-1.5) 2.5 5 0.38 6.9 1.5
    HS2550-0,38(11-2) 2.5 5 0.38 11 2
    HS2558-0.38(14.8-6) 2.5 5.8 0.38 14.8 6
    HS2575-0.38(12-1.3) 2.5 7.5 0.38 12 1.3
    HS2810-0,45(3,3-0,35) 2.8 1 0.45 3.3 0.35
  • Kepala bulat inti tunggal impedansi karakteristik 50Ω
    Kepala bulat inti tunggal impedansi karakteristik 50Ω
    Model Ukuran (mm)
    A B C D E
    HS2815-0,45(5,75-1,25) 2.8 1.5 0.45 5.75 1.25
    HS2816-0.45(4.6-1.5) 2.8 1.6 0.45 4.6 1.5
    HS2816-0.45(4.9-1.8)-R 2.8 1.6 0.45 4.9 1.8
    HS2816-0.45(5.1-1.5) 2.8 1.6 0.45 5.1 1.5
    HS2816-0.45(5.2-1.1) 2.8 1.6 0.45 5.2 1.1
    HS2816-0.45(5.4-2) 2.8 1.6 0.45 5.4 2
    HS2816-0.45(5.6-2) 2.8 1.6 0.45 5.6 2
    HS2816-0.45(6.2-1.8) 2.8 1.6 0.45 6.2 1.8
    HS2816-0.45(8.0-4.6) 2.8 1.6 0.45 8 4.6
    HS2816-0.45(8-1.8) 2.8 1.6 0.45 8 1.8
    HS2816-0.45(11.6-5) 2.8 1.6 0.45 11.6 5
    HS2816-0.45(12-3.0) 2.8 1.6 0.45 12 3
    HS2831-0.45(5.2-1.8) 2.8 3.1 0.45 5.2 1.8
    HS2843-0,45(8.3-2) 2.8 4.3 0.45 8.3 2
    HS3015-0.5(4.3-0.8) 3 1.5 0.5 4.3 0.8
    HS3016-0.5(3.4-0.9) 3 1.6 0.5 3.4 0.9
    HS3016-0.5(4.6-1) 3 1.6 0.5 4.6 1
    HS3016-0.5(4.6-1.5) 3 1.6 0.5 4.6 1.5
    HS3016B 3 1.6 0.38 4.9 1.8
  • Kepala bulat inti tunggal impedansi karakteristik 50Ω
    Kepala bulat inti tunggal impedansi karakteristik 50Ω
    Model Ukuran (mm)
    A B C D E
    HS3016-0.5(5.6-2) 3 1.6 0.5 5.6 2
    HS3016C 3 1.6 0.5 6.6 2
    HS3016-0.5(6.6-2.5) 3 1.6 0.5 6.6 2.5
    HS3016-0,5(7,5-2) 3 1.6 0.5 7.5 2
    HS3016-0.5(7.5-3.9) 3 1.6 0.5 7.5 3.9
    HS3016-0.5(7.8-2.0) 3 1.6 0.5 7.8 2
    HS3016-0.5(9.65-3.05) 3 1.6 0.5 9.65 3.05
    HS3016-0.5(12-5.0) 3 1.6 0.5 12 5
    HS3016-0.5(14.3-1.5) 3 1.6 0.5 14.3 1.5
    HS3020-0.5(5-1.8) 3 2 0.5 5 1.8
    HS3020-0.5(6.0-1.5) 3 2 0.5 6 1.5
    HS3020-0.5(6.5-2.2) 3 2 0.5 6.5 2.2
    HS3020-0.5(6.5-2.3) 3 2 0.5 6.5 2.3
    HS3020-0.5(6.8-1.8) 3 2 0.5 6.8 1.8
    HS3020-0.5(7.5-2.2) 3 2 0.5 7.5 2.2
    HS3020-0,5(8-2) 3 2 0.5 8 2
    HS3020-0.5(8.5-2.2) 3 2 0.5 8.5 2.2
    HS3020-0.5(8.5-4.3) 3 2 0.5 8.5 4.3
    HS3020-0,5(10-4) 3 2 0.5 10 4
  • Kepala bulat inti tunggal impedansi karakteristik 50Ω
    Kepala bulat inti tunggal impedansi karakteristik 50Ω
    Model Ukuran (mm)
    A B C D E
    HS3020-0.5(10-1.5) 3 2 0.5 10 1.5
    HS3020-0.5(12-4.0) 3 2 0.5 12 4
    HS3020-0.5(12-5.0) 3 2 0.5 12 5
    HS3020-0,5(12-6) 3 2 0.5 12 6
    HS3020-0,5(15-2) 3 2 0.5 15 2
    HS3025-0.5(5.4-1.2) 3 2.5 0.5 5.4 1.2
    HS3030A 3 3 0.38 10 1.5
    HS3030-0,5(6,5-2) 3 3 0.5 6.5 2
    HS3030-0.5(6.6-1.8) 3 3 0.5 6.6 1.8
    HS3030-0.5(7.5-2)-R 3 3 0.5 7.5 2
    HS3030-0.5(8.8-1.8) 3 3 0.5 8.8 1.8
    HS3030-0,5(10-2) 3 3 0.5 10 2
    HS3030-0,5(12-3) 3 3 0.5 12 3
    HS3030-0,5(12-2) 3 3 0.5 12 2
    HS3030-0.5(14-4.0) 3 3 0.5 14 4
    HS3035-0,5(6-1) 3 3.5 0.5 6 1
    HS3035-0,5(11,5-4) 3 3.5 0.5 11.5 4
    HS3040A 3 4 0.5 10.4 4
    HS3042-0.5(9.0-2.2) 3 4.2 0.5 9 2.2
  • Kepala bulat inti tunggal impedansi karakteristik 50Ω
    Kepala bulat inti tunggal impedansi karakteristik 50Ω
    Model Ukuran (mm)
    A B C D E
    HS3045-0,5(8,5-2) 3 4.5 0.5 8.5 2
    HS3047-0.5(9.4-2.2) 3 4.7 0.5 9.4 2.2
    HS3047-0.5(12-5.1) 3 4.7 0.5 12 5.1
    HS3050-0,5(9-2) 3 5 0.5 9 2
    HS3052A 3 5.2 0.5 10.3 4
    HS3057-0,5(12,5-3) 3 5.7 0.5 12.5 3
    HS3620-0.5(9-2.5) 3.6 2 0.5 9 2.5
    HS3616-0.6(12.2-1.6) 3.6 1.6 0.6 12.2 1.6
    HS3625-0.6(6.5-2) 3.6 2.5 0.6 6.5 2
    HS2540-0.8(27-5) 2.5 4 0.8 27 5
    HS4030A 4 3 1 10.6 4.6
    HS5010-0.8(5.9-2.45) 5 1 0.8 5.9 2.45
    HS5015-0.8(7.3-4.9) 5 1.5 0.8 7.3 4.9
    HS5016B 5 1.6 0.8 5.6 2
    HS5016-0.8(8.6-3.0) 5 1.6 0.8 8.6 3
    HS5030-0.8(17.2-2) 5 3 0.8 17.2 2
    HS5040-0.8(12-3) 5 4 0.8 12 3
    HS5060-0.8(11.5-2.5) 5 6 0.8 11.5 2.5
    HS5065-0.8(13.7-3) 5 6.5 0.8 13.7 3
  • Kepala bulat inti tunggal impedansi karakteristik 50Ω
    Kepala bulat inti tunggal impedansi karakteristik 50Ω
    Model Ukuran (mm)
    A B C D E
    HS5065-0.8(15.5-3) 5 6.5 0.8 15.5 3
    HS5516-0.9(8.3-2.8) 5.5 1.6 0.9 8.3 2.8
    HS5516-0.9(8.5-2.8) 5.5 1.6 0.9 8.5 2.8
    HS5516-0.9(8.7-2.8) 5.5 1.6 0.9 8.7 2.8
    HS5516-0.9(8.9-2.8) 5.5 1.6 0.9 8.9 2.8
    HS5516-0.9(9.1-2.8) 5.5 1.6 0.9 9.1 2.8
    HS5516-0.9(11.9-2.8) 5.5 1.6 0.9 11.9 2.8
    HS5516-0.9(12.6-2) 5.5 1.6 0.9 12.6 2
    HS5516-0.9(13.8-2.8) 5.5 1.6 0.9 13.8 2.8
    HS5525-0.9(9.7-1.6) 5.5 2.5 0.9 9.7 1.6
    HS5525-0.9(16-5) 5.5 2.5 0.9 16 5
    HS5530-0.9(8.8-2.3) 5.5 3 0.9 8.8 2.3
    HS5530-0.9(9.6-2.3) 5.5 3 0.9 9.6 2.3
    HS5530-0.9(13.8-2.8) 5.5 3 0.9 13.8 2.8
    HS5530A 5.5 3 1.35 13.5 7.5
    HS5530B 5.5 3 1.35 13.8 7.8
    HS6016-1.0(8.5-1.5) 6 1.6 1 8.5 1.5
    HS6840-0.9(7-1.5) 6.8 4 0.9 7 1.5
    HS8330-1.3(13-5) 8.3 3 1.3 13 5
  • Impedansi karakteristik 50Ω - kepala datar inti tunggal
    Impedansi karakteristik 50Ω - kepala datar inti tunggal
    Model Ukuran (mm)
    A B C D E
    Ka2008-0.3(1.4-0.3) 2 0.8 0.3 1.4 0.3
    HS2008-0.3(1.65-0.35) 2 0.8 0.3 1.65 0.35
    Ka2008-0.3(1.8-0.3) 2 0.8 0.3 1.8 0.3
    HS2010-0.3(1.9-0.35) 2 1 0.3 1.9 0.35
    HS2010-0.3(2-0.5) 2 1 0.3 2 0.5
    HS2010-0.3(2.5-0.5) 2 1 0.3 2.5 0.5
    HS2013-0.3(2.4-0.4) 2 1.3 0.3 2.4 0.4
    HS2014-0.3(2.6-0.4) 2 1.4 0.3 2.6 0.4
    HS2014E 2 1.4 0.3 2.3 0.45
    HS2014F 2 1.4 0.3 2.35 0.5
    HS2016-0.3-01 2 1.6 0.3 3.1 1
    HS2016-0.3(3.3-0.7) 2 1.6 0.3 3.3 0.7
    HS2016-0.3-02 2 1.6 0.3 3.3 1
    HS2016-0.3(5.6-2) 2 1.6 0.3 5.6 2
    HS2019-0.3(3-0.35) 2 1.9 0.3 3 0.35
    HS2020-0.3-02 2 2 0.3 3.5 0.5
    HS2020-0.3(3.6-0.8) 2 2 0.3 3.6 0.8
    HS2030-0.3(4.2-0.7) 2 3 0.3 4.2 0.7
  • Kepala bulat inti tunggal impedansi karakteristik 50Ω
    Kepala bulat inti tunggal impedansi karakteristik 50Ω
    Model Ukuran (mm)
    A B C D E
    HS8740-1.38(8.4-3.2) 8.7 4 1.38 8.4 3.2
    HS9430-1.5(9-3) 9.4 3 1.5 9 3
    HS9430-1.5(11-4) 9.4 3 1.5 11 4
    HS9640-1.5(9.2-3.2) 9.6 4 1.5 9.2 3.2
    HS10050-1.7(15-5) 10 5 1.7 15 5
    HS130100-3(18-4) 13 10 3 18 4
  • Impedansi Karakteristik 50Ω - Ujung Bulat Inti Tunggal
    Impedansi Karakteristik 50Ω - Ujung Bulat Inti Tunggal
    Model Ukuran (mm)
    A B C D E
    HS2330-0.23(5.3-0.3) 2.3 3 0.23 5.3 0.3
    HS2815-0.3(5.2-1.2) 2.8 1.5 0.3 5.2 1.2
    HS2815-0.3(7.2-1.2) 2.8 1.5 0.3 7.2 1.2
    HS2635-0.3(7.1-1.3) 2.6 3.5 0.3 7.1 1.3
    HS3822-0.5(14.4-3.7) 3.8 2.2 0.5 14.4 3.7
    HS3525-0,5(11,5-6) 3.5 2.5 0.5 11.5 6
  • Impedansi karakteristik 50Ω - kepala datar inti tunggal
    Impedansi karakteristik 50Ω - kepala datar inti tunggal
    Model Ukuran (mm)
    A B C D E
    HS2516-0.38(5.1-2) 2.5 1.6 0.38 5.1 2
    HS2516-0.38(7.37-4.5) 2.5 1.6 0.38 7.37 4.5
    HS2517-0.38-01 2.5 1.7 0.38 2.7 0.65
    HS2520-0,38(3,2-0,5) 2.5 2 0.38 3.2 0.5
    HS2525-0.38-01 2.5 2.5 0.38 3.65 0.65
    HS2530-0.38(7.5-2.5) 2.5 3 0.38 7.5 2.5
    HS2816-0.45(4.9-1.8) 2.8 1.6 0.45 4.9 1.8
    HS2816-0,45-01 2.8 1.6 0.45 5 3
    HS2816-0.45(6-1.5) 2.8 1.6 0.45 6 1.5
    HS3030-0,5(7,5-2) 3 3 0.5 7.5 2
  • Impedansi karakteristik 50Ω - ujung bulat datar inti tunggal
    Impedansi karakteristik 50Ω - ujung bulat datar inti tunggal
    Model Ukuran (mm)
    A B C D E
    HS2006-0.3(3.1-1.8) 2 0.6 0.3 3.1 1.8
    HS2010-0.3(3.5-2) 2 1 0.3 3.5 2
    HS2020-0.3-01 2 2 0.3 3.7 0.6
    HS2035-0.3(6.4-1.8) 2 3.5 0.3 6.4 1.8
    HS2816-0.45(11.7-7.6) 2.8 1.6 0.45 11.7 7.6
    HS3020-0.5(10-6.5) 3 2 0.5 10 6.5
    HS3216-0.5(7.1-4) 3.2 1.6 0.5 7.1 4
    HS6448-1.0(10.2-3.5) 6.4 4.8 1 10.2 3.5
  • Ka2032-0.3(4.5-1.3)
    Ka2032-0.3(4.5-1.3)
    Model
    Ka2032-0.3(4.5-1.3)
  • K2010-0.3(1.05-0.05)
    K2010-0.3(1.05-0.05)
    Model
    K2010-0.3(1.05-0.05)
  • HS2510-0.3-02
    HS2510-0.3-02
    Model
    HS2510-0,3-02
  • HS3520-0,5(3,4-0,3)
    HS3520-0,5(3,4-0,3)
    Model
    HS3520-0,5(3,4-0,3)
  • Ka3216-0.5(5.85-1.5)
    Ka3216-0.5(5.85-1.5)
    Model
    Ka3216-0,5(5,85-1,5)
  • K2515-0.38(2.9-0.3)
    K2515-0.38(2.9-0.3)
    Model
    K2515-0,38(2,9-0,3)
  • 2-K482515-0.38(2.9-0.3)
    2-K482515-0.38(2.9-0.3)
    Model
    2-K482515-0,38(2,9-0,3)
  • KW2016-0.3(0.7-1.6)
    KW2016-0.3(0.7-1.6)
    Model
    KW2016-0.3(0.7-1.6)
  • KW2016-0.3(1-2.2)
    KW2016-0.3(1-2.2)
    Model
    KW2016-0.3(1-2.2)
  • KW2025-0.3(1-2.2)
    KW2025-0.3(1-2.2)
    Model
    KW2025-0.3(1-2.2)
  • JPW2040-0.3-01
    JPW2040-0.3-01
    Model
    JPW2040-0.3-01
  • KW2018-0.3(0.95-2.1)
    KW2018-0.3(0.95-2.1)
    Model
    KW2018-0.3(0.95-2.1)
  • Ujung Bulat Inti Tunggal Impedansi Karakteristik Non-50Ω
    Ujung Bulat Inti Tunggal Impedansi Karakteristik Non-50Ω
    Model Ukuran (mm)
    A B C D E
    JD1515-0.4(5-1.5) 1.5 1.5 0.4 5 5
    JD1615-0.4(8-1.9) 1.6 1.5 0.4 8 8
    JD1616-0.4(30-14.2) 1.6 1.6 0.4 30 30
    JD1614-0.45(11.4-5) 1.6 1.4 0.45 11.4 11.4
    JD1616-0.45(4.65-1.05) 1.6 1.6 0.45 4.65 4.65
    JD1616-0.45(16-4) 1.6 1.6 0.45 16 16
    JD1616-0.45(30-14.2) 1.6 1.6 0.45 30 30
    JD2020-0.45(6.3-3) 2 2 0.45 6.3 6.3
    JD2020-0.45(10-4) 2 2 0.45 10 10
    JD1614-0.5(9-4) 1.6 1.4 0.5 9 9
    JD1616-0.5(30-14.2) 1.6 1.6 0.5 30 30
    JD1619-0.5(5.1-2) 1.6 1.9 0.5 5.1 5.1
    HS2015-0.5(7.5-3) 2 1.5 0.5 7.5 7.5
    JD2016-0.5(12-5.8)-R 2 1.6 0.5 12 12
    HS2018-0.5(9.5-1.5) 2 1.8 0.5 9.5 9.5
    HS2018-0.5(11.5-7.2) 2 1.8 0.5 11.5 11.5
    HS2030-0.5(10-2) 2 3 0.5 10 10
    JD1919-0.6(7.9-1.9)-R 1.9 1.9 0.6 7.9 7.9
  • Ujung Bulat Inti Tunggal Impedansi Karakteristik Non-50Ω
    Ujung Bulat Inti Tunggal Impedansi Karakteristik Non-50Ω
    Model Ukuran (mm)
    A B C D E
    HS2040-0.6(6-1) 2 4 0.6 6 1
    JD1818-0.7(10-6) 1.8 1.8 0.7 10 6
    JD1818-0.7(22.2-0.4) 1.8 1.8 0.7 22.2 0.4
    HS2016-0.7(4.6-1.5) 2 1.6 0.7 4.6 1.5
    HS2016-0.7(6.3-1.5) 2 1.6 0.7 6.3 1.5
    HS2016-0.7(7.1-1.5)-R 2 1.6 0.7 7.1 1.5
    HS2016-0.7(7.6-1.5) 2 1.6 0.7 7.6 1.5
    HS2016-0.7(9.6-4) 2 1.6 0.7 9.6 4
    K2016-0.7(11-4.6) 2 1.6 0.7 11 4.6
    HS2016-0.7(11.6-5) 2 1.6 0.7 11.6 5
    HS2016-0.7(17-15.1) 2 1.6 0.7 17 15.1
    HS2016-0.7(20-0.3) 2 1.6 0.7 20 0.3
    HS2017-0.7(9.7-3) 2 1.7 0.7 9.7 3
    HS2035-0.7(13-3) 2 3.5 0.7 13 3
    HS2020-0.75(12-4) 2 2 0.75 12 4
    HS2015-0.8(6.5-3) 2 1.5 0.8 6.5 3
    JD2015-0.8(10.5-3) 2 1.5 0.8 10.5 3
    JD2063-0.5(10.3-2) 2 6.3 0.5 10.3 2
  • Ujung Bulat Inti Tunggal Impedansi Karakteristik Non-50Ω
    Ujung Bulat Inti Tunggal Impedansi Karakteristik Non-50Ω
    Model Ukuran (mm)
    A B C D E
    JD2518-0.8(12.8-5) 2.5 1.8 0.8 12.8 5
    JD2520-0.8(14-4) 2.5 2 0.8 14 4
    JD2540-0.8(10-4) 2.5 4 0.8 10 4
    JD3218-0.8(51.8-20) 3.2 1.8 0.8 51.8 20
    JD2530-0.9(6.6-1.8) 2.5 3 0.9 6.6 1.8
    JD2540A 2.5 4 0.8 10 4
    JD2816-1(6.6-2) 2.8 1.6 1 6.6 2
    K2816-1.0(16-10) 2.8 1.6 1 16 10
    JD3218-1(27-15) 3.2 1.8 1 27 15
    JD3015-1.3(10.2-6.1) 3 1.5 1.3 10.2 6.1
    JD3015-1.3(10.5-3) 3 1.5 1.3 10.5 3
    JD3430-1.4(10.5-4.5) 3.4 3 1.4 10.5 4.5
    JD12940-1.7(10-3) 12.9 4 1.7 10 3
    JD3916-2(6.6-2) 3.9 1.6 2 6.6 2
  • Kepala datar inti tunggal impedansi karakteristik non-50Ω
    Kepala datar inti tunggal impedansi karakteristik non-50Ω
    Model Ukuran (mm)
    A B C D E
    JD1510-0.3-01 1.5 1 0.3 5.5 1.5
    JD1315-0.35-01 1.3 1.5 0.35 3.5 0.3
    JD1515-0.4(4.5-0.5) 1.5 1.5 0.4 4.5 0.5
    JD1516-0.4-01 1.5 1.6 0.4 14.6 1
    JD1615-0.5(7-0.5) 1.6 1.5 0.5 7 0.5
    JD1619-0.5(8.7-3) 1.6 1.9 0.5 8.7 3
    JD1619-0.5(10.3-4.6) 1.6 1.9 0.5 10.3 4.6
    JD2016-0.5(4.5-0.6) 2 1.6 0.5 4.5 0.6
    JD2016-0.5(12-5.8) 2 1.6 0.5 12 5.8
    JD2020-0.5-01 2 2 0.5 5.2 0.5
    JD2044-0.5(6.3-0.4) 2 4.4 0.5 6.3 0.4
    JD1919-0.6(7.9-1.9) 1.9 1.9 0.6 7.9 1.9
    RF2010-0.7(6.0-3.0) 2 1 0.7 6 3
    JD2015-0.8(6.5-3) 2 1.5 0.8 6.5 3
    RF2016-0.8(6.6-4.5) 2 1.6 0.8 6.6 4.5
    JD2816-1(10.3-4.9) 2.8 1.6 1 10.3 4.9
  • Ujung Bulat Datar Inti Tunggal Impedansi Karakteristik Non-50Ω
    Ujung Bulat Datar Inti Tunggal Impedansi Karakteristik Non-50Ω
    Model Ukuran (mm)
    A B C D E
    RF1515-0.38(2.9-0.3) 1.5 1.5 0.38 2.9 0.3
    JD1614-0.5(17.9-0.5) 1.6 1.4 0.5 17.9 0.5
    JD1615-0.5(9-2.5) 1.6 1.5 0.5 9 2.5
    JD2016-0.7(8.1-4.5) 2 1.6 0.7 8.4 4.5
    JD2040-0.6(10-4.5) 2 4 0.6 10 4.5
    JD2016-0.7(9.1-2.5) 2 1.6 0.7 9.1 2.5
    JD2035-0.7(22-3) 2 3.5 0.7 22 3
  • Impedansi Karakteristik Non-50Ω - Tipe Kepala Paku
    Impedansi Karakteristik Non-50Ω - Tipe Kepala Paku
    Model Ukuran (mm)
    A B C D E F G
    JD1616-0.45(4.2-1.5) 1.4 1.5 4.2 0.45 1.6 0.8 0.3
    JD1614-0.45(6.2-0.8) 1.4 0.8 6.2 0.45 1.6 0.8 0.3
    JD1614-0.45(6.9-1.5) 1.4 1.5 6.9 0.45 1.6 0.8 0.2
    JD1620-0.45(7-1) 2 1 7 0.45 1.6 1 0.3
    JD1630-0.5(7.5-0.5) 3 0.5 7.5 0.5 1.6 0.6 0.2
    JD1630-0,5(10,5-0,5) 3 0.5 10.5 0.5 1.6 0.6 0.2
    JD1816-0,5(20-0,5) 1.6 0.5 20 0.5 1.8 0.7 0.3
    JD2020B 2 2 0.6 5.7 1
  • JP2016-0.7(7.1-1.5)
    JP2016-0.7(7.1-1.5)
    Model
    JP2016-0.7(7.1-1.5)

    Model Ukuran (mm)
    A B C D E F G
    JD1614-0.45(6.9-1.5)-R 1.4 1.5 6.9 0.45 1.6 0.8 0.2
    JD1630-0,5(7,5-0,5)-R 3 0.5 7.5 0.5 1.6 0.6 0.2
  • Impedansi Karakteristik Non-50Ω - Tipe Kepala Paku
    Impedansi Karakteristik Non-50Ω - Tipe Kepala Paku
    Model Ukuran (mm)
    A B C D E F G
    JD1614-0.45(6.9-1.5)-R 1.4 1.5 6.9 0.45 1.6 0.8 0.2
    JD1630-0,5(7,5-0,5)-R 3 0.5 7.5 0.5 1.6 0.6 0.2
  • JD1516-0.4-02
    JD1516-0.4-02
    Model
    JD1516-0.4-02
  • RF1816-0.8(6.6-4.5)-2
    RF1816-0.8(6.6-4.5)-2
    Model
    RF1816-0.8(6.6-4.5)-2
  • 2-RF281515-0.38(2.9-0.3)
    2-RF281515-0.38(2.9-0.3)
    Model
    2-RF281515-0,38(2,9-0,3)
  • 2-RF301516-0.5(5.85-1.5)
    2-RF301516-0.5(5.85-1.5)
    Model
    2-RF301516-0,5(5,85-1,5)
  • JD301520-0,5-01
    JD301520-0,5-01
    Model
    JD301520-0,5-01
  • JD301515-0,5-01
    JD301515-0,5-01
    Model
    JD301515-0,5-01
  • JD201315-0.35-01
    JD201315-0.35-01
    Model
    JD301515-0,5-01
  • JD271516-0.4-02
    JD271516-0.4-02
    Model
    JD271516-0.4-02
  • JD271516-0.4-01
    JD271516-0.4-01
    Model
    JD271516-0.4-01
  • JD2615-0.35-01
    JD2615-0.35-01
    Model
    JD2615-0,35-01
  • 3-RF411515-0,38(2,9-0,3)
    3-RF411515-0,38(2,9-0,3)
    Model
    3-RF411515-0,38(2,9-0,3)
  • 3-RF421516-0.5(5.85-1.5)
    3-RF421516-0.5(5.85-1.5)
    Model
    3-RF421516-0,5(5,85-1,5)
  • JD261516-0.3-01
    JD261516-0.3-01
    Model
    JD261516-0.3-01
  • JD391516-0.4-01
    JD391516-0.4-01
    Model
    JD391516-0.4-01
  • JD2815-0.35-01
    JD2815-0.35-01
    Model
    JD2815-0,35-01
  • RF3416-0.8(6.6-4.5)-4
    RF3416-0.8(6.6-4.5)-4
    Model
    RF3416-0.8(6.6-4.5)-4
  • 4-RF3416-0.5(5.85-1.5)
    4-RF3416-0.5(5.85-1.5)
    Model
    4-RF3416-0,5(5,85-1,5)
  • JD341315-0,35-01
    JD341315-0,35-01
    Model
    JD341315-0,35-01
  • JD272716-0.4-01
    JD272716-0.4-01
    Model
    JD272716-0.4-01
  • JD511516-0.4-01
    JD511516-0.4-01
    Model
    JD511516-0.4-01
  • JD2016-0.3-01
    JD2016-0.3-01
    Model
    JD2016-0.3-01
  • JD3115-0.35-01
    JD3115-0.35-01
    Model
    JD3115-0,35-01
  • JD631516-0.4-01
    JD631516-0.4-01
    Model
    JD631516-0.4-01
  • RF1816-0.8(6.6-4.5)-6
    RF1816-0.8(6.6-4.5)-6
    Model
    RF1816-0.8(6.6-4.5)-6
  • 6-RF811515-0.5(0.5-8.2)
    6-RF811515-0.5(0.5-8.2)
    Model
    6-RF811515-0,5(0,5-8,2)
  • 6-RF821515-0.5(5.5-2.5)
    6-RF821515-0.5(5.5-2.5)
    Model
    6-RF821515-0,5(5,5-2,5)
  • JD501516-0.4-01
    JD501516-0.4-01
    Model
    JD501516-0.4-01
  • JD811520-0,5-0,1
    JD811520-0,5-0,1
    Model
    JD811520-0,5-0,1
  • 7-RF941515-0.5(5.5-2.5)
    7-RF941515-0.5(5.5-2.5)
    Model
    7-RF941515-0,5(5,5-2,5)
  • JD1201515-0.5-01
    JD1201515-0.5-01
    Model
    JD1201515-0,5-01
  • JMC-265-JH
    JMC-265-JH
    Model
    JMC-265-JH
  • JD1201515-0.5-02
    JD1201515-0.5-02
    Model
    JD1201515-0,5-02
  • RF1816-0.8(6.6-4.5)-9
    RF1816-0.8(6.6-4.5)-9
    Model
    RF1816-0.8(6.6-4.5)-9
  • JYZ22-0.45-01
    JYZ22-0.45-01
    Model
    JYZ22-0.45-01
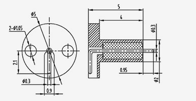
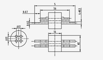
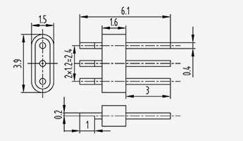
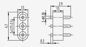
  • Impedansi Karakteristik Non-50Ω - Multi-Inti
    Impedansi Karakteristik Non-50Ω - Multi-Inti
    Model Ukuran (mm)
    A B C D E F G H sebuah pull-through baris Penghentian
    JD156018-0.3(27.2-0.8)-8 27.2 0.8 1.4 6 1.8 0.6 0.3 0 8 1 Ikatan muka atas konduktor dalam
    JD151152-0.3(4.5-1.5)-9 4.5 1.5 1.5 11.5 2 1.27 0.3 0 9 1 Pematerian
    2-JD162020-0.3(5-1.7)-4 A1=5
    A2=3.6
    B1=1,7
    B2=1
    1.6 2 2 0.57 0.3 0.57 4 2 Ikatan datar pada kedua sisi konduktor bagian dalam
    2-JD162020-0.3(7.6-1.7)-4 A1=7.6
    A2=3.6
    B1=1,7
    B2=1
    1.6 2 2 0.57 0.3 0.56 4 2 Ikatan datar pada kedua sisi ujung konduktor bagian dalam
    JD158215-0.38(7-0.8)-6 7 0.8 1.5 8.2 1.5 1.27 0.38 0 6 1 Ikatan muka kepala kuku bagian atas
    JD153015-0.38(8-1.9)-2 8 1.9 1.5 3 1.5 1.27 0.38 0 2 1 Lasan
    2-JD162525-0.38(10.6-3.5)-4 10.6 3.5 1.6 2.5 2.5 0.71 0.38 0.71 4 2 Pematerian
    2-JD187425-0.38(3.8-1)-16 A1=3,8
    A2=5.2
    B1=1
    B2=1,7
    1.8 7.4 2.5
    4
    0.88 0.38 1.02 16 2 Ujung konduktor bagian dalam diratakan dan diikat ke samping
    JD1510516-0,45(7,5-2)-8 7.5 2 1.5 10.5 1.6 1.27 0.45 0 8 1 Pematerian
    JD155515-0.5(5.7-1.7}-4 5.7 1.7 1.5 5.5 1.5 1.27 0.5 0 4 1 Ikatan rata sisi atas konduktor bagian dalam
    JD1512015-0.5(5.8-2.5)-9 5.8 2.5 1.5 12 1.5 1.27 0.5 0 9 1 Ikatan sisi rata konduktor bagian dalam yang lebih rendah
    JD153015-0,5(7-0,5)-2 7 0.5 1.5 3 1.5 1.27 0.5 0 2 1 Ikatan konduktor dalam berakhir
  • Impedansi Karakteristik Non-50Ω - Multi-Inti
    Impedansi Karakteristik Non-50Ω - Multi-Inti
    Model UkuraN (mm)
    A B C D E F G H sebuah pull-through baris Penghentian
    JD153815-0.5(7.7-1.2)-2 7.7 1.2 1.5 3.8 1.5 2.1 0.5 0 2 1 Ikatan rata sisi atas konduktor bagian dalam
    JD153015-0,5(13,5-4)-2 13.5 4 1.5 3 1.5 1.27 0.5 0 2 1 Pengelasan
    JD1613215-0.5(10.6-2)-10 10.6 2 1.6 13.2 1.5 1.27 0.5 0 10 1 Pematerian
    JD302915-0,5(8-1)-2 8 1 3 2.9 1.5 1.27 0.5 0 2 1 Ikatan muka atas konduktor dalam
    2-JD165528-0.5(7.6-1)-8 7.6 1 1.6 5.5 2.8 1.07 0.5 0 8 2 Ikatan muka atas konduktor dalam
    2-JD154330-0.5(5.8-2)-5 Al=5.8
    A2=5.1
    B1=2
    B2=1.3
    1.5 4.3 3 1.27 0.5 1.5 5 2 Solder Sisi atas rata
    2-JD156830-0.5(5.8-2)-9 Al=5.8
    A2=5.1
    B1=2
    B2=1.3
    1.5 6.8 n 1.27 0.5 1.5 6 2 Las Perataan sisi atas konduktor bagian dalam
    2-JD1512030-0.5(9.3-2.8)-18 A1=9.3
    A2=8
    B1=2.8
    B2=1,5
    1.5 12 3 1.27 0.5 1.5 18 2 Pengelasan Flattening of inner conductor ends
    3-JD155545-0.5(9.5-4)-12 Al=9,5
    A2=7,5
    A3=5,5
    B1=4
    B2=3
    B3=2
    1.5 5.5 4.5 1.27 0.5 1.5 12 3 Pematerian
    2-JD207015-0.6(7-3)-10 A1=7
    A2=6
    B1=3
    B2=2
    2 7 1.5 1.27 0.6 1.5 10 2 Konduktor bagian dalam diratakan dan diikat pada kedua sisinya
    2-JD3012230-0.6(10.8-5)18 10.8 5 3 12.2 3 1.27 0.6 1.5 18 2 Ikatan rata sisi konduktor dalam yang lebih rendah
  • JYZ22-0.45-02
    JYZ22-0.45-02
    Model
    JYZ22-0.45-02

TETAP BERHUBUNGAN

[#masukan#]
KIRIM
Tentang Kami
Ningbo Hanson Komunikasi Technology Co, Ltd.
Ningbo Hanson Komunikasi Technology Co, Ltd.
Ningbo Hanson Communication Technology Co., Ltd. is China Isolator Kaca RF Supplier and Custom Isolator Kaca RF Company. We are a manufacturer specializing in the production, processing, and trade of communication components, with more than 30 years of experience in RF coaxial connectors, adapters, and cable assemblies. Perusahaan kini telah mengembangkan bengkel permesinan sendiri, bengkel pelapisan listrik, bengkel perakitan, dan sekelompok pemasok yang stabil dan Danal. Tujuan perusahaan adalah menyediakan produk berkualitas tinggi kepada pelanggan. Produk utama adalah konektor koaksial RF, adaptor, rakitan kabel frekuensi tinggi, dan rakitan kabel intermodulasi rendah. Selain itu, perusahaan juga dapat memberikan layanan kepada pelanggan dengan kebutuhan yang disesuaikan untuk memenuhi kebutuhan khusus pelanggan terhadap produk. Produk perusahaan banyak digunakan di bidang luar angkasa, stasiun pangkalan komunikasi, peralatan medis, dan bidang teknologi tinggi lainnya. Pada saat reformasi perusahaan, inovasi, pengembangan, dan pertumbuhan, perusahaan mengambil inisiatif untuk bergabung dengan sistem manajemen mutu internasional ISO9001 dan terus meningkatkan tingkat manajemen untuk memberikan produk dan layanan yang lebih memuaskan kepada pelanggan baru dan lama.
Berita Terbaru
Mencari Peluang Bisnis?

Minta panggilan hari ini